欢迎来到黄瓜视频破解版黄瓜视频APP污版下载(昆山)有限公司!

黄瓜视频懂你更多

咨询热线:

18606228988

黄瓜视频APP污版下载
您的当前位置: 首 页 >> 产品中心 >> 伺服电机THB 180框(5对级)

产品中心

联系黄瓜视频破解版

黄瓜视频破解版黄瓜视频APP污版下载(苏州)有限公司

联系人:姚程

电   话:18606228988

传   真:0512-33011228

网   址:www.ttzjgs.com

地   址:江苏省太仓市双凤镇温州路17-1号

THB180552H

THB180552H

  • 所属分类:伺服电机THB 180框(5对级)

  • 点击次数:
  • 发布日期:2022/08/10
  • 更多
  • 在线询价
详细介绍

项目/电机型号 Items/Motor ModelUnit552H
额定电压 V220380
额定输出功率  W55005500
额定电流 A37.220.8
额定转速 R.P.M.15001500
额定扭矩 N.m3535
zui大电流 A9152
zui大转速 R.P.M.30003000
zui大扭矩N.m87.687.6
扭矩常数N.m/A11.8
线-线反电势V/k R.P.M.60.5108.9
转子惯量Kg-m^2X10^-489(96.9)89(96.9)
线-线电阻Ω0.090.28
线-线电感mH1.364.52
绝缘等级 -FF
重量 Kg22(27.8)22(27.8)




电磁刹车 Unit
刹车额定电压  VDC24VDC24V
刹车静摩擦转矩 N.m≥74≥74
刹车额定功率 W2525
刹车吸引电压AT 20℃19.2VDC MAX19.2VDC MAX
刹车释放电压 AT 20℃1VDC MIN1VDC MIN

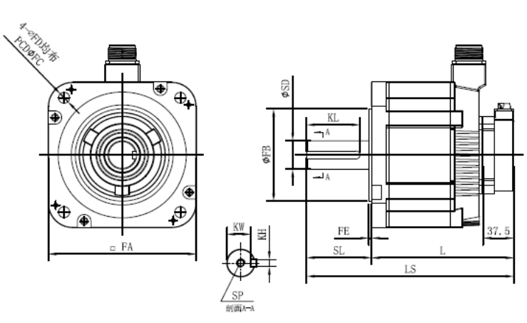
型号/尺寸LSL法兰面
FAFBFCFDFESDSESFSGSLKLKWKH
THB180552H不带刹车349.3236.3180114.320013.53.242


113963712
带刹车391278



相关标签:

上一篇:THB180442H
下一篇:THB180752H

相关产品:

相关新闻:

联系方式

黄瓜视频破解版黄瓜视频APP污版下载(苏州)有限公司

联系人:姚程

电   话:18606228988

传   真:0512-33011228

网   址:www.ttzjgs.com

地   址:江苏省太仓市双凤镇温州路17-1号

扫码咨询

黄瓜视频破解版伺服电机

网站地图