欢迎来到黄瓜视频破解版黄瓜视频APP污版下载(昆山)有限公司!

黄瓜视频懂你更多

咨询热线:

18606228988

黄瓜视频APP污版下载
您的当前位置: 首 页 >> 产品中心 >> 伺服电机THC 80框(5对级)

产品中心

联系黄瓜视频破解版

黄瓜视频破解版黄瓜视频APP污版下载(苏州)有限公司

联系人:姚程

电   话:18606228988

传   真:0512-33011228

网   址:www.ttzjgs.com

地   址:江苏省太仓市双凤镇温州路17-1号

THC080751C

THC080751C

  • 所属分类:伺服电机THC 80框(5对级)

  • 点击次数:
  • 发布日期:2022/08/10
  • 更多
  • 在线询价
详细介绍

项目/电机型号 Items/Motor ModelUnit751C
额定电压 V220380
额定输出功率  W750750
额定电流 A42.5
额定转速 R.P.M.30003000
额定扭矩 N.m2.392.39
zui大电流 A127.5
zui大转速 R.P.M.50005000
zui大扭矩N.m7.177.17
扭矩常数N.m/A0.6181
线-线反电势V/k R.P.M.37.460.5
转子惯量Kg-m^2X10^-41.56(1.66)1.56(1.66)
线-线电阻Ω1.784.75
线-线电感mH7.319
绝缘等级 -FF
重量 Kg2.4(2.8)2.4(2.8)




电磁刹车 Unit
刹车额定电压  VDC24VDC24V
刹车静摩擦转矩 N.m≥3.5≥3.5
刹车额定功率 W13.513.5
刹车吸引电压AT 20℃16.8VDC MAX16.8VDC MAX
刹车释放电压 AT 20℃1.5VDC MIN1.5VDC MIN

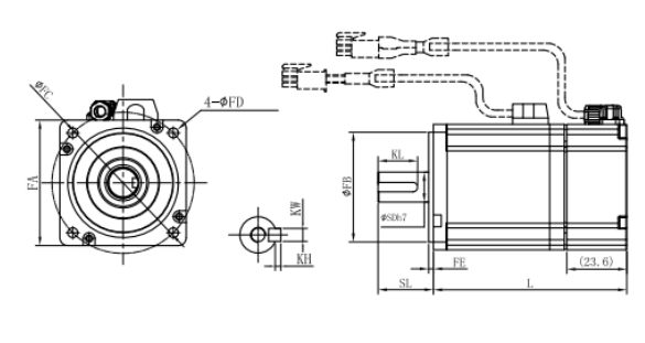
型号/尺寸LSL法兰面
FAFBFCFDFESDSESFSGSLKLKWKH
THC080751C不带刹车1431088070906.3319


352562.5
带刹车171.2136.2



相关标签:

上一篇:THC080102C
下一篇:没有了

相关产品:

相关新闻:

联系方式

黄瓜视频破解版黄瓜视频APP污版下载(苏州)有限公司

联系人:姚程

电   话:18606228988

传   真:0512-33011228

网   址:www.ttzjgs.com

地   址:江苏省太仓市双凤镇温州路17-1号

扫码咨询

黄瓜视频破解版伺服电机

网站地图